1.概述说明
(1)汽车用半轴套管锁紧螺母的加工,原工艺采用圆钢下料锻造。首先在高速汽锤上进行墩粗压扁,镦粗的锻造比达Y=H0/H1=10,而且锻件变形速度太快,易产生平面周向折叠。由于螺母厚度太薄,锻坯只有10mm左右,终锻温度难以控制。在后序冲孔和时,温度偏低延展性不足,易形成边角开裂。造成折叠和开裂的废品率高达25%左右。
(2)为了避免锻造加工的缺陷,改进后的锁紧螺母加工工艺,采用45钢热轧无缝钢管锯床下料。这样可以节省材料,减少工序,同时避免锻造裂纹。近期的螺母产品经调质处理,机加工后发现工件表面开裂现象比较严重。螺母外平面形成整体的周向裂纹,以及数条径向裂纹,废品率多达10%。
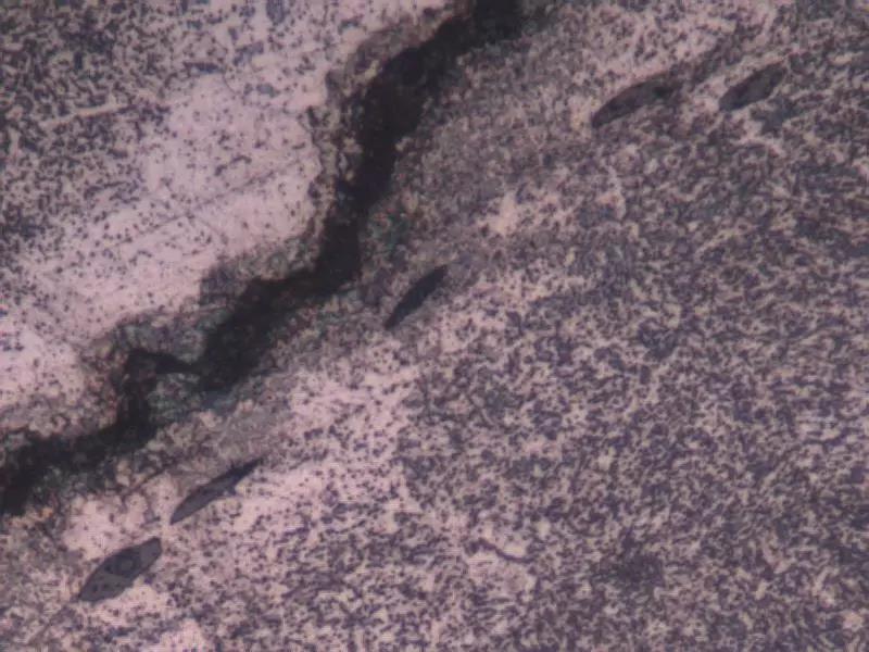
(3)目测螺母失效件表面,裂纹主要呈周向开裂,裂纹几乎延伸至整个工件外平面。在图片的上部,有一条垂直于外圆的径向裂纹,裂纹上端没有贯穿外表面,下端没有与径向裂纹相连接,初步推断为内裂纹,内裂纹的产生与内部组织缺陷有关。图片下部有一条人字形分叉裂纹,人字形裂纹的与外圆表面相连接,形成开口裂纹(见图1)。

图1 螺母表面裂纹(实物)
2.过程检验
(1)截取原材料尺寸为长25mm×宽25mm×厚15mm的样块,进行化学成分检测,检测设备为Labspark5000直读火花光谱仪。检查结果(见附表)表明,化学成分符合材料标准要求。
原材料化学成分的检查结果(质量分数)(%)

(2)金相检测,人字形裂纹的,与外圆表面形成开口裂纹,裂纹两侧有明显的氧化脱碳层,氧化脱碳层达0.35mm。从图片上看,近表层处裂纹间隙呈深黑色,裂纹内氧化物较少。裂纹下部,裂纹间隙内充满高温氧化物。裂纹附近为调质处理的索氏体组织。靠近裂纹两侧,铁素体基体上的颗粒状碳化物较少,属于含碳量低于正常基体组织的氧化脱碳层(见图2)。

图2 裂纹端面脱碳层(400×)
(3)裂纹的扩展为曲折状沿晶开裂,裂纹尾部呈分叉状,裂纹四周同样布满较深的脱碳层。存在较深脱碳层的裂纹,可以确定是在调质处理淬火之前形成的,因为调质处理的加热过程,使裂纹两侧氧化脱碳(见图3)。

图3 裂纹尾部脱碳层(100×)
在径向裂纹的垂直部位取样检查,裂纹仍然是曲折状沿晶扩展,但裂纹两侧无氧化脱碳现象,这种裂纹属于调质处理过程中淬火产生的裂纹。在裂纹的附近,可见原始的晶粒异常粗大,晶粒度达1~2级。这种粗大组织,是原材料轧制时温度过高,晶粒急剧长大造成的。且晶粒呈现轧制拉长的形态(见图4)。

图4 裂纹周围无脱碳层(100×)
(4)对原材料轧制组织进一步观察,失效件近表层处晶粒粗大,且晶粒变形倾向较严重,呈扁平状,晶粒平均直径为0.35mm,晶粒度达0级;失效件心部的晶粒仍然粗大,变形呈椭圆状,晶粒平均直径为0.20mm,晶粒度达1.5级。正常晶粒的平均直径在0.02~0.06mm之间,晶粒度为5~8级。晶粒度≤3级时属于过热组织。晶粒度在0~1.5级之间,已经长大为严重的过热组织晶粒(见图5~6)。这种现象表明原材料在轧制时,加热温度过高,晶粒急剧长大,晶界宽化,此时的晶间结合力显著降低。金相组织显示,晶粒变形现象严重,表明原材料轧制的终锻温度过低,组织不能回复再结晶。组织间存在较大的锻造应力,工件在后序加工及热处理时,易造成变形和开裂。

图5 表层粗大晶粒(100×)

图6 心部粗大晶粒(100×)
(5)在人字形裂纹的中部,裂纹周围的脱碳层较严重,脱碳层达0.40mm。在脱碳层处,铁素体基体呈较粗的等轴晶粒。这种较粗的等轴铁素体晶粒,表明组织经过一次奥氏体化温度加热的氧化脱碳,但加热温度应该在1000℃以下。如果加热温度超过1000℃,甚至在1200℃以上,该脱碳层的铁素体晶粒,就会形成长条状的柱状晶,因此该裂纹不会是轧制开裂的裂纹。该裂纹不是轧制开裂的另一个理由是,如果该裂纹在轧制时开裂,那么调质后裂纹周围的脱碳层内的铁素体晶粒,应该为细小等轴状。因为铁素体晶粒在轧制的高温下,首先形成柱状晶,然后在调质处理的加热过程中,铁素体晶粒经过二次重结晶,柱状晶奥氏体化,然后重新结晶,转变为细小等轴状的晶粒。由此表明,出现这种较粗等轴状铁素体晶粒的裂纹,应该是在轧制之后调质处理淬火之前形成的。从脱碳层严重程度看,该裂纹应该是在调质处理加热初期产生的。
由此推断,可能为调质处理加热初期热应力产生的裂纹;也有可能是原材料轧制既存应力集中裂纹;或者为原材料下料后应力释放产生的裂纹。但是有一点可以确定,在1200℃左右的高温轧制过程中没有产生这种裂纹。该裂纹是在原材料轧制以后,由于终锻温度过低,组织没有回复再结晶,变形的晶粒没有及时回复,应力没有,在后序机加工及热处理时,应力释放及叠加产生的裂纹(见图7)。

图7 较粗等轴铁素体(400×)
在裂纹附近,分布有大量断续条状的浅灰色非金属夹杂物。从形状和特征判断,该非金属夹杂物属于低熔点的硫化物夹杂。它的存在显著降低材料的强度,进一步增加材料的应力开裂倾向(见图8)。

图8 条状非金属夹杂物(400×)
3.分析改进
(1)汽车用半轴套管锁紧螺母的表面裂纹,是原材料轧制之后,机加工及热处理过程中产生的。产生裂纹的影响因素包括钢管原材料轧制始锻温度过高;终锻温度过低;原材料既存非金属夹杂物超标。
①原材料轧制始锻温度过高,晶粒急剧长大,晶界弱化,晶间结合力显著降低,易造成应力开裂。
②原材料轧制终锻温度过低,组织无法回复再结晶,原始晶粒严重变形,原材料轧制应力很大且无法。这种情况下,原材料钢管放置时间越长,轧制应力在晶界等缺陷处集中越严重,越易沿粗大晶粒的晶界处产生裂纹。
③原材料钢管用锯床下料后,在粗大晶粒开口处,原始轧制应力释放,易形成边角开裂。
④工件在调质处理加热时,原始轧制应力与加热过程中产生的热应力叠加,增加工件的开裂倾向。
⑤工件在调质处理淬火时,产生的组织应力,超过原始粗大组织的晶间结合力,使工件产生开裂。
⑥原材料中非金属夹杂物超标,材料的强度降低脆性增大,进一步增加后序机加工及热处理开裂倾向。
(2)正是由于不规范的原材料轧制加工工艺,给后序机加工及热处理带来诸多开裂的隐患。出现上述轧制缺陷的钢管,原材料制造厂家应及时进行去应力退火或高温回火处理,以便轧制应力,防止钢管原材料在后序加工产生裂纹。同时也要降低材料组织中的非金属夹杂物,原材料的组织和性能要求。