经过对轴承套圈碳氮共渗进行金相分析,发现金相组织中除了表面有黑色组织外其余的指标都符合技术要求。为此,技术人员专门对轴承套圈黑色组织进行了分析。
1.GCr15轴承钢的化学成分
GCr15轴承钢的化学成分如表1所示。
表1 GCr15轴承钢的化学成分 (质量分数) (%)

2.GCr15钢表面黑色组织
(1)伴随脱碳层的黑色组织
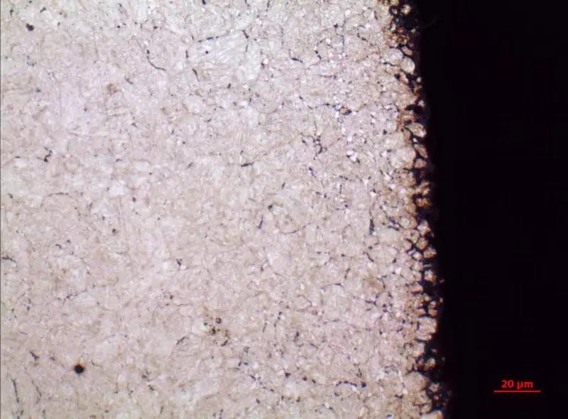
淬火加热中,当GCr15钢表面产生程度不同的脱碳时,淬火后(在的冷却条件下)其表面会产生一层黑色组织。不同的生产批次,黑色组织的形态和有所不同。黑色组织轻微时只形成网络状,为几十微米到几百微米,严重时则形成层片状+网络状,几百微米。因黑色组织易受硝酸酒精腐蚀变黑,故采用浅腐蚀处理(4%硝酸酒精溶液腐蚀)即可将其清楚地显示出来,如图1所示。

图1 GCr15钢表面脱碳时的网状黑色组织(500×)
(2)伴随增碳层的黑色组织
淬火加热中,当GCr15钢表面产生不同程度的增碳时,淬火后(在的冷却条件下)其表面产生一层黑色组织,其形态与受腐蚀程度(4%硝酸酒精溶液腐蚀)和前述基本相同,如图2所示。

图2 GCr15钢表面增碳时的黑色组织(500×)
3.黑色组织的本质
(1)形态和组织结构
光学显微镜下观察到的黑色组织具有网络状或层片状+网络状的形态,其上分布着剩余碳化物颗粒。黑色组织易受硝酸酒精腐蚀(相当于淬火马氏体),黑色的网络状是沿奥氏体晶界形成的。从图1、图2可以看出,层片状黑色组织正是由黑色的细网络扩大变粗,几个邻近的网络连接成小黑块,再由小黑块间彼此连接成层片状而形成,所以黑色组织的形成经历了由网络状到小块状再到层片状的发展过程。
(2)硬度
黑色组织的硬度明显低于马氏体的硬度,如表2所示。
表2 黑色组织与马氏体硬度对照
|
部位 |
HV值 |
换算成HRC值 |
|
层片状黑色区 |
474 |
48.7 |
|
网状黑色区 |
718 |
60.4 |
|
淬火马氏体 |
879 |
88.6 |
综合上述分析可以证实,黑色组织是GCr15钢在淬火时发生的扩散型相变产物,它是珠光体类型中的屈氏体。
4.黑色组织的形成原因
GCr15钢的恒温转变曲线上有2个奥氏体加速分解的阶段。第1阶段在650℃附近,第2阶段在450~480℃附近,第2阶段(中温转变)的奥氏体分解速度小于第1阶段的奥氏体分解速度。
GCr15钢的淬火是为了需要的马氏体淬火组织,在冷却过程中制止钢中有珠光体形成,因此在连续冷却时第1阶段的转变具有决定性的作用。
珠光体转变的临界速度取决于钢的成分,首先取决于碳在固溶体中的浓度,淬火时临界速度的大小随固溶体中含碳量的多少而变化,当GCr15钢加热时表面产生脱碳,则在脱碳区域内固溶体的碳浓度相应降低,此时GCr15钢正常淬火的冷却速度对于脱碳区域来说已显得过小,这个冷却速度已不能制止珠光体的转变。这部分碳浓度低的过冷奥氏体处于很不稳定的状态,在淬火时首先分解成珠光体产物(奥氏体高温分解产物),也就是临界冷却速度标线与“C”曲线相交,而不脱碳的区域(奥氏体碳浓度较高)同样的冷却速度已能在淬火时发生马氏体相变,而不使过冷奥氏体早期分解成珠光体。
由于奥氏体的晶界面处于能量较高的不稳定状态,碳浓度的贫化往往由晶界面发生并向晶内扩展,所以随碳浓度的贫化程度由轻到重,淬火后出现的黑色组织也有网络状(晶界面)扩展为层片状(晶粒)。
5.GCr15钢表面增碳时对黑色组织形成的影响
增碳使GCr15钢表层碳浓度提高。铬能使合金元素形成碳化物,铬与碳易形成含铬碳化物,在高温下碳原子不断扩散深入GCr15钢表层,处于不稳定状态的奥氏体晶界面上的铬首先与碳结合成为碳化物,从而使晶界面上的铬浓度降低,随着碳的扩散含铬碳化物也不断增多,贫铬区域逐步由晶界面向晶粒内发展,导致晶粒内的贫铬,即所谓“增碳贫铬”现象。
合金元素铬具有明显的增大过冷奥氏体稳定性的作用(特别是奥氏体第1阶段分解的作用),贫铬区域过冷奥氏体变得不稳定,钢中未溶的剩余碳化物进一步起到加速奥氏体分解的作用。所以当淬火时“增碳贫铬”区域首先分解珠光体产物。
6.冷却条件对黑色组织形成的影响
GCr15钢表层由于脱碳或增碳引起淬火时表层黑色组织的形成是需要在的冷却条件下才会发生,当改变冷却条件使冷却速度增大,淬火后即不致产生黑色组织。
技术人员做过下述试验:将加热时脱碳或增碳的GCr15钢试样分别淬入油(10#或20#国产机械油)、硝盐(50%的NaNO3+50%的KNO3)和水3种冷却介质中。结果是油冷的试样表层有较多的黑色组织,硝盐冷却的试样表层黑色组织较少,水冷的试样表层无黑色组织。
7.结语
GCr15钢在淬火加热过程中,表层产生的黑色组织是GCr15钢在淬火时发生扩散型相变的产物,属于珠光体型的屈氏体。由于这层屈氏体硬度低,这就直接影响到磨加工质量。若成品的工作面上还剩有屈氏体薄层,则会造成早期磨损,导致产品质量下降。
针对不同的GCr15钢淬火工艺(盐炉加热或保护气体炉加热),正确控制炉内碳势,避免加热过程中产生的脱碳或增碳,选择适当的冷却介质(足够的冷却能力),在淬火过程中可以避免黑色组织的产生,从而达到进一步稳定和提高GCr15钢热处理质量的目的。