一个的机械设计师,要考虑功能,加工,测量;缺一不可。
基于上面的原则我们再来看这道题。
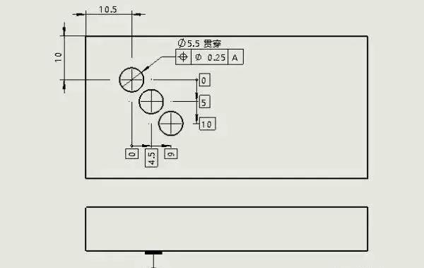
如果这个孔只是个通气孔毫无精度要求,可以按照下面的方法表示:
在这张图里,可以看到除了告诉加工人员孔的位置尺寸外,还告诉了测量人员测量基准是上表面和左侧面,通常图纸上还会写上未著公差基于国标xxx,或者ISOxxx中级或者初级精度。检测人员也会按照给定的精度来检测尺寸是否合格。
至于加工方式,可能是直接铸造出来的(压铸一点,沙铸精度差一点)。也可以是用钻床钻出来。在或者是铣床或者加工直接加工出来。

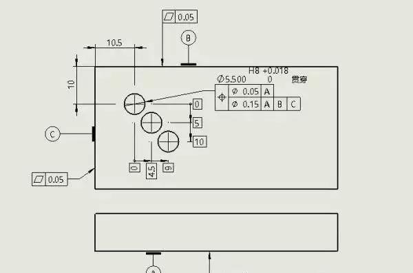
种,如果这三个孔是安装螺纹的通孔,对面会拧一个零件。我会这么标注它:

通孔之间的位置关系就比较重要了,如果超出了位置度的范围,对配的零件螺钉就可能拧不上。所以我们标了一个基本尺寸,然后通过相对的位置度来限制孔之间的关系。只标明基准A的意思是,检测的时候,可以用这三个孔的轴线在A表面上的投影。
由于有了位置度的要求,当然这个位置度要求并不高。压铸一般可以满足,机加工的话,钻床和加工都没问题。
大批量产品检测的时候会做一个量具,量具上有三个圆柱,零件往上一放,可以穿过就说明没问题。小批量的三坐标测量仪,或者投影都可以。
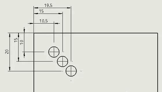
至于三个孔的位置是斜着标,还是XY标在这里都没关系,因为是理论正确尺寸,你怎么标人家就怎么测。
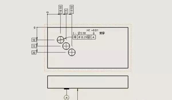
第三种,如果这三个孔是定位销孔(通常定位一个零件用两个销孔,或者一个销孔一个腰孔),不仅相对位置有要求,与两边的位置也有要求,那么我会这么标:

你会看到,首先因为是定位销控,孔的精度变高了。同时变成了复合工差,增加了一个位置度,行位置度的意思就是每一个孔对应于ABC三个基准有一个位置度要求,而且这个位置度是比行的相对位置度要大的,否则没有意义。因此这三个孔需要同时满足两个位置度要求。
加工方法,这里钻床一般就不行了,镗床或者加工应该都能满足。
这里的ABC三个基准的选择是基于实际使用的来选的,比如你安装的接触面是哪个面那么你就选那个面。由于精度要求高,有时候也需要约束基准面的平面度,否则坑坑洼洼的,测出来位置度肯定不准。如下图:

形位公差博大精深,比较考验水平。
再简单说一下。比如下图中位置度后面的一个M画了一个圈。

为什么要有大实体要求呢?我们从逻辑上缕一缕:
首先,每一个孔加工出来的大小都是有误差的,即使你标注5.50,实际做出来可能是5.51,所以我们给每个孔标注了公差,这里给的是H7。
然后,我们给了一个位置度,0.25,也就是说这个孔的轴线在理论位置在0.25的圆柱内。这个位置度是对面插的三个销能同时进入下面这三个孔。
如果没有那个M,检测的时候,如果孔径在公差内,孔的轴线在公差范围内就认为合格,反之则不合格。
但是这样做有时候不经济,比如我的孔做大了,做到5.51了,也就是说,即使我的位置度超差了,做到了0.26,销子依然可以插进去孔,因为位置度的偏差被孔做大了弥补了。而我的目的只是要销插进孔而已。所以我标注了一个M。
当我加工的孔比基准尺寸大(但是仍要在给定的公差范围内),我的位置度实际上是给定的值0.25+孔变大的值0.01。
这样做的好处很明显了,可以在功能的情况下多的合格的零件,毕竟功能优先。而检具也好做了,做一个的销,能插进去的就是合格品。